全國服務熱線021-64162222
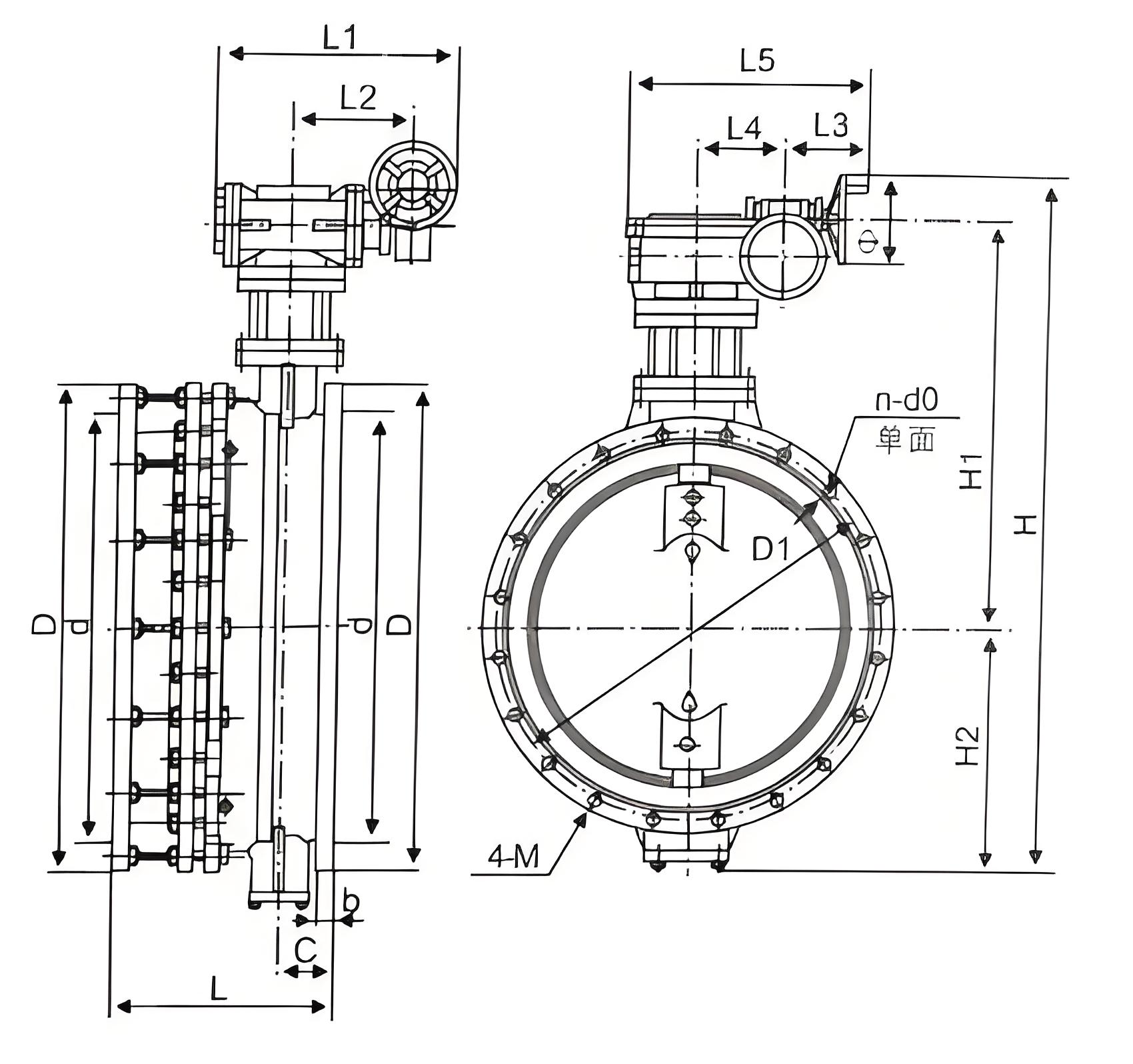
SD941X-16Q DN250電動伸縮法蘭蝶閥 是一款專為高壓工況設計的閥門,結合了伸縮補償與電動控制功能,適用于煤礦、化工等需要高溫高壓及密封性能的場景。以下是其核心特性:
適用于煤礦、化工、電站、城市給排水等需要高溫高壓及頻繁啟閉的工業系統,尤其適合需要溫度補償或頻繁調節的管道系統。
上一篇:伸縮式電動智能蝶閥sd941x-10/16 dn600 / 下一篇:沒有了
友情鏈接:進口電動球閥 上海展臺搭建公司 電子元器件 POS機 pos機代理 電氣控制柜 電氣控制柜 工控機 木材粉碎機 工商名錄
滬公網安備 31011402005796號 | 網站地圖